Similar Documents
| Publication | Publication Date | Title |
|---|---|---|
|
US20230019168A1 |
2023-01-19 | Latch activation between members |
|
CA2124971C |
1999-03-16 | Procedure and apparatus for triggering the safety gear of an elevator |
|
RU2495290C2 |
2013-10-10 | Тормоз кабины лифта с колодками, приводимыми в действие пружинами, соединенными с зубчатым приводом |
|
GB2229415A |
1990-09-26 | Elevator safety mechanism for preventing unitended car motion. |
|
EP2418166B1 |
2017-08-30 | Elevator governor |
|
CN101198537B |
2013-11-20 | 释放电梯安全装置的方法和装置 |
|
US7077246B2 |
2006-07-18 | Fall safety device |
|
EP1500624A1 |
2005-01-26 | Elevator landing door broken chain safety device |
|
JP2020509983A |
2020-04-02 | エレベータドアロック装置 |
|
US4257494A |
1981-03-24 | Safety brake for elevators and aerial cableways |
|
RU2472693C2 |
2013-01-20 | Блок контроля скорости и ускорения с управляемым электронным способом пусковым сервомеханизмом для применения в подъемно-транспортных средствах |
|
RU199074U1 |
2020-08-12 | Ограничитель скорости лифта центробежного типа |
|
US20090014253A1 |
2009-01-15 | Braking mechanism for moving assemblies |
|
JP5472473B2 |
2014-04-16 | エレベータ用調速機 |
|
AU2020267146A1 |
2021-05-27 | An elevator parking brake, a method for operating an elevator system and an elevator system |
|
CN110963387B |
2022-06-10 | 超速保护开关、限速器组件以及电梯系统 |
|
CN108298398B |
2020-09-01 | 用于电梯限速器的芯环组件,限速器和电梯系统 |
|
CA2407464A1 |
2004-04-10 | Hydraulic governor device for use with a rotational shaft |
|
RU2774460C1 |
2022-06-21 | Устройство и способ контроля параметров ограничителя скорости |
|
CN101789330A |
2010-07-28 | 机械式转轴角超加速开关装置 |
|
CN111655606A |
2020-09-11 | 无极线缆绞车 |
|
CN114408695B |
2023-07-14 | 一种施工升降机用手动匀速下降限速机构 |
|
CN216105783U |
2022-03-22 | 电梯紧急避险装置及电梯 |
|
WO1997026208A1 |
1997-07-24 | Automatic brake for winch of lift |
|
WO2022175992A1 |
2022-08-25 | Emergency brake |
База знаний
Установка ограничителя скорости. Ограничитель скорости поступает с завода-изготовителя в собранном виде, запломбированный. Распломбировка ограничителя скорости не допускается. В его паспорте указана скорость, на которую он отрегулирован. Ограничитель скорости всегда устанавливают наверху в машинном или блочном помещении лифта.
Место установки ограничителя скорости определяется проектом монтажа лифта. В современных лифтах ограничитель скорости чаще всего устанавливают непосредственно на плиту перекрытия шахты лифта или на раму лебедки с помощью подставки. Предварительно проверяют направление действия ограничителя скорости, с тем чтобы ограничитель скорости приводил в действие ловители при движении кабины вниз. Для точной установки ограничителя скорости через ручей большого шкива опускают отвес на ось рычага троса ловителей. При этом отвес должен располагаться по центру рычага механизма включения конечного выключателя. Регулировку производят перемещением болтов крепления в пазах кронштейна ограничителя скорости. После указанной проверки подставку ограничителя скорости приваривают к закладным деталям плиты перекрытия шахты лифта или к раме лебедки. Затем регулируют положение установки конечного выключателя на раме ограничителя скорости.
Установка противовеса. Противовес обычно монтируют в приямке. Если шахта еще не перекрыта, то противовес опускают в шахту сверху с помощью башенного крана и устанавливают на подставки. Если шахты перекрыта, то между направляющими противовеса устанавливают деревянную подставку из брусьев 100 × 100 × 700 мм (рис. 2.15). Каркас противовеса подают краном к подъезду дома, разбирают и устанавливают нижнюю балку каркаса противовеса между направляющими на подставку, заносят стояки каркаса противовеса в приямок и крепят к нижней балке. Затем заносят верхнюю балку каркаса и соединяют болтами со стояками. После тщательной выверки каркаса противовеса окончательно затягивают все болты. Каркас кабины загружают грузами после навески кабины и противовеса на канаты.

Рис. 2.15. Установка каркаса противовеса: 1 — деревянная подставка; 2 — направляющая; 3 — каркас противовеса
Монтаж каната ограничителя скорости. Установка натяжного устройства и буферов в приямке. Канат ограничителя скорости закрепляют одним концом на соединительной планке, перебрасывают через большой шкив ограничителя скорости и опускают в приямок. Натяжное устройство ограничителя скорости крепят в приямке согласно чертежу с помощью двух прижимов на 500 мм от уровня пола приямка (рис. 2.16). После этого канат укладывают в шкив натяжного устройства. Свободный конец троса крепят к планке тремя прижимами. Пружины надевают на стаканы буферов, которые заделаны в тумбы. Из машинного помещения на обеих ветвях каната ограничителя скорости устанавливают упоры для отключения конечного выключателя.

Рис. 2.16. Натяжное устройство: 1 — груз; 2 — рычаг; 3 — канат; 4 — блок; 5 — направляющая кабины; 6 — прижим
Источник
Управление малыми грузовыми лифтами
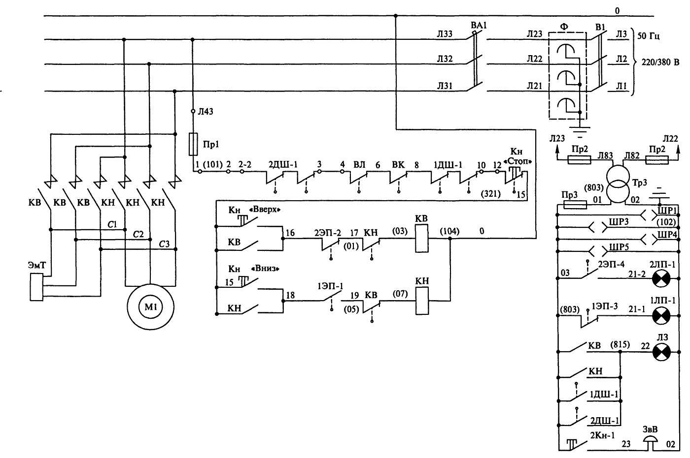
В цепи управления грузовым лифтом предусмотрены различные типы сигналов тревоги. С их помощью осуществляется контроль за положением кабины, состоянием дверей шахты и общей работой лифта. В качестве световых сигналов используется лампа ЗАНЯТО, а также освещение кабины лифта во время работы и при открытых дверях шахты.
Сигнальные лампы, контролирующие положение кабины, расположены в световом щите, установленном на 1-м этаже. Они активируются с помощью контактов переключателя на этаже, где расположена кабина лифта. При размыкании контактов сигнальная лампа также гаснет.
Промежуточное реле и блокировочные выключатели используются для своевременного включения освещения кабины и лампы BUSY. В результате свет будет гореть, если открыта хотя бы одна из дверей шахты.
При необходимости исправления уже зарегистрированного заказа или возникновении другой подобной ситуации лифт останавливается с помощью кнопки СТОП на панели оператора лифта. Отключение неработающего подъемника осуществляется с помощью автомата и главного выключателя.

Принципиальная схема лифта
Устройство пассажирского лифта

Освещение лифта

Устройство шахты лифта

Цепь пускового включения

Реверс двигателя — схема
Знаете, что называется лифтом?
Все, что не попадает под это определение — это уже не лифт. (Существуют экзотические конструкции, например, вместо кабины — платформа, или кабина ходит в наклонной шахте)
Итак, кабина… Самый неинтересный элемент лифта. Коробка, как коробка. На кабине находится привод открытия/закрытия дверей представляющий из себя трехфазный электродвигатель с редуктором, либо такой же двигатель с частотным преобразователем (называемый просто «частотник»)
Сама кабина, как сказано в определении, движется по вертикальным направляющим. Направляющая представляет из себя обычный рельс, только поменьше, закрепленный вдоль стены шахты вертикально. Таких направляющих в шахте обычно четыре. Две расположены по бокам кабины, и еще две используются для движения противовеса.
Кабина «сидит» в направляющих не слишком жестко — во-первых, зазор предусмотрен конструктивно, во-вторых — кабина входит в направляющие специальными вкладышами, которые крепятся к кабине через специальные резиновые прокладки.
Пол кабины обычно выполнен слегка подвижным (когда вы заходите в кабину, он немного утапливается), под полом находятся датчики загрузки кабины. Обычно этих датчиков три — один срабатывает от веса 15 кг, другой — от 90% загрузки от максимальной грузоподъемности, третий — от 110% (датчик перегруза). Датчик 15 кг нужен, чтобы лифт «понял», что кабина занята. Если нет сигнала от этого датчика, то кнопки в кабине работать не будут. Датчик 90% загрузки — чтоб не останавливаться на попутные вызовы. Ну а при перегрузе, лифт, соответственно, вообще не едет. Если не очень осознанные граждане иногда используют кабину в качестве туалета, то эти цифры весьма условны — датчики закисают намертво.
Подвеска кабины осуществляется тремя или четырьмя тросами. Каждый трос рассчитан на вес 16ти кабин с максимальной загрузкой. Такие требования. Так что байки про оторванные троса целиком на совести журналистов. Кроме того, троса требуют замены, если обнаруживается порванная прядь, либо превышено число обрывов проволочек на один шаг свивки.
(Вообще, на тему отбраковки тросов написаны толстые справочники)
Троса крепятся к кабине через хитрую штуку, называемую балансиром. Смысл этого балансира в том, чтобы при неравномерной вытяжке канатов (они со временем вытягиваются, то есть удлиняются), срабатывал датчик СПК (датчик слабины подвески канатов), и лифт выключался. Разумеется, при обрыве троса, датчик также сработает.
Еще на кабине находится механизм ловителей. Судя по задаваемым мне вопросам, ловители многие представляют себе весьма фантастически ? Все просто, на самом деле. Ловители представляют из себя клинья, которые выдвигаются специальным механизмом. Клинья встают в распор между направляющими и кабиной, тем самым блокируя движение кабины вниз. Лифт отключается, а чтобы снять кабину с ловителей, достаточно ее подтянуть к верху.
Троса от кабины через отверстие в потолке шахты заходят в машинное помещение, там через шкив (такое большое чугунное колесо, правильно назывемое канато-ведущим шкивом, или КВШ) опять спускаются в шахту и другим концом крепятся к противовесу. Противовес — набор железобетонных или чугунных «чушек», закрепленных в раме, которая, также, как и кабина, ездит по направляющим. Самый тяжелый и неэкономичный режим для лифта — это когда пустая кабина едет вниз. Ибо более тяжелый противовес в это время едет, соответственно, вверх.
Вертикальный пассажироперевозчик
Вертикальный пассажироперевозчик, более известный как лифт, является одним из основных средств транспорта для перемещения людей и грузов между этажами в зданиях. Несмотря на свою простую конструкцию, лифты играют важную роль в нашей повседневной жизни и значительно облегчают перемещение по зданиям, особенно в больших городах.
Основные составляющие лифта включают:
- Кабина: пространство, в котором пассажиры или грузы перемещаются.
- Шахта: вертикальная колонна, в которой перемещается кабина.
- Стальные тросы: используются для подъема и опускания кабины.
- Тяговая машина: механизм, приводящий в движение шкивы, которые натягивают тросы.
- Контрольная панель: панель управления, на которой находятся кнопки для вызова лифта и выбора нужного этажа.
Работа лифта основана на использовании принципа грузоподъемного механизма. Когда пассажиры нажимают кнопку на контрольной панели, лифт вызывается на нужный этаж. Затем тяговая машина начинает наматывать или разматывать стальные тросы, перемещая кабину вверх или вниз по шахте. Скорость движения кабины контролируется системой тормозов и приводов.
Внутри кабины обычно находится кнопочная панель, на которой можно выбрать нужный этаж. Когда лифт достигает нужного этажа, двери кабины автоматически открываются, позволяя пассажирам выйти или зайти внутрь. После этого двери закрываются и лифт продолжает свое движение.
Лифты имеют много преимуществ, таких как экономия времени и энергии, удобство использования и улучшение доступности для людей с ограниченными физическими возможностями. Они также используются для перевозки грузов, что упрощает доставку товаров на разные этажи в торговых центрах и складах.
В заключение, лифты — это незаменимые средства передвижения в многоквартирных домах, офисных зданиях и других местах с несколькими этажами. С их помощью мы можем легко и безопасно перемещаться по зданиям, избегая использования лестниц и экономя свое время.
Устройства безопасности лифта
Элайша Отис после проведения своего демонстрационного шоу воскликнул — «Все безопасно , господа!» и задал темп в обеспечении безопасности лифтов до настоящего времени. И ведь если бы сегодня были многочисленные обрывы лифтов с людьми, то наш инстинкт самосохранения не позволил бы нам пользоваться лифтом. Да и органы контроля за лифтовым хозяйством не позволили бы перевозку в случае большой вероятности обрыва троса лифта без систем безопасности.

Безусловно с 19 века система ловителя лифта потерпела многочисленные изменения. Помимо технических средств добавилась электронная система управления безопасного передвижения лифта в наряду с оконечной периферией в виде разнообразных датчиков. Несмотря на наличие многочисленной электроники в конечном итоге срабатывает механический ловитель, который имеет отличное конструктивное решение от изобретение Отиса.
Давайте остановимся на примере системы безопасности лифтов, которые устанавливались в высотных домах еще в советское время. Данная система система еще не включала в себя сложные электронные блоки управления и действовала механически. По принципу — чем проще, тем надежнее.
Систему безопасности лифта можно разделить на следующие основные узлы:
- механический ограничитель скорости.
- ловитель, расположенный на кабине лифта.
- канат связывающий ограничитель с ловителем.
Канат уловителя
В случае, когда конструкцию демонстрировал Отис, тянущий трос был одновременно и тросом уловителя. В современной системе безопасности трос, связывающий ловитель на кабине лифта с ограничителем, расположен отдельно от основного.
Ограничитель скорости лифта
Ограничитель скорости расположен как и основной электрический двигатель в машинном отделении над лифтовой шахтой. Роль механического ловителя заключается в контроле скорости лифтовой кабины.

На ограничителе расположен шкив с тросом, который связан с конструкций ловителя на кабине лифта.
Принцип действия ограничителя скорости лифта
В случае обрыва троса лифтовой кабины, скорость кабины увеличивается и соответственно это ускорение через трос передается на шкив ограничителя. Внутри ограничителя расположены грузы, которые под действием центробежной силы вследствии ускорения расходятся преодолевая усилие пружины и упираются в неподвижные упоры.

Шкив ограничителя блокируется и трос натягиваясь приводит в действие устройство ловителя на кабине лифта.
Об устройстве гидравлических и пневматических лифтов

Гидравлические подъемники появились в 19 веке. Принцип работы такой машины заключается в том, что в вертикальном цилиндре находится поршень, который приводится в движение гидравлическим маслом, нагнетаемым насосом. В результате кабина лифта поднимается тросами.
Скорость гидравлических лифтов, как уже было сказано, невелика. К недостаткам также можно отнести высокий уровень шума и высокую стоимость. Обычно такие механизмы устанавливают в малоэтажных домах. Если говорить о преимуществах этих подъемных машин, то стоит упомянуть о плавности подъема.
Если рассматривать оборудование гидравлических подъемников с точки зрения специалистов, а не пассажиров, то здесь речь пойдет о простом монтаже. Можно установить подъемник, если есть только одна несущая стена.
Напоследок поговорим о пневматических подъемниках, которые еще называют эрлифтами. Устройство такого лифта исключает блоки, тросы и поршни. Кроме того, нет необходимости строить машинное отделение.
Эрлифт движется за счет разницы давлений, создаваемой турбиной и вакуумным насосом. Платформа опускается под действием силы тяжести.
Общая схема лифта
Как правило, все механизмы лифта работают следующим образом. Чтобы вызвать кабину на любой этаж, нажмите соответствующую кнопку. Кабина доезжает до нужного места, останавливается, затем автоматически открываются двери. Если будка уже находится в месте вызова, двери открываются сразу при нажатии кнопки.
После входа пассажиров нажимается кнопка с номером этажа, расположенная на специальной панели. Получив сигнал, кабина начинает подниматься или опускаться на заданный этаж. Двери закрываются автоматически перед началом движения. Если никто не воспользовался вызванным лифтом, двери закрываются через определенное время. В то время, когда лифт занят, звонки не регистрируются.
двери открываются и закрываются автоматически. Этот механизм устроен таким образом, что двери при закрывании не развивают усилие более 153 Н. Привод дверей оснащен асинхронным короткозамкнутым двигателем с приводом от понижающего трансформатора.










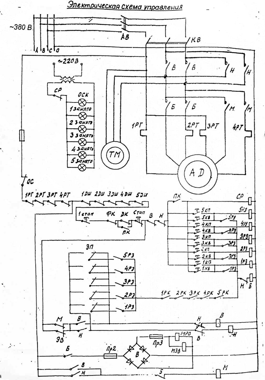
Все приводные двигатели управляются со специального пульта, расположенного в машинном отделении. Он несет всю аппаратуру управления вместе с автоматическими выключателями, имеющими наивысшую тепловую защиту.
Будущее лифтов: инновационные технологии и разработки
Лифты уже давно являются неотъемлемой частью нашей повседневной жизни, обеспечивая нам удобное перемещение между этажами и сокращая время, затрачиваемое на подъем и спуск. Однако, в современном мире, разработчики и инженеры не останавливаются на достигнутом и продолжают разрабатывать инновационные технологии, чтобы сделать лифты еще более эффективными и безопасными.
Улучшение скорости и грузоподъемности
Одним из направлений развития лифтовой индустрии является увеличение скорости и грузоподъемности лифтов
Все больше зданий строится на значительной высоте, и поэтому быстрое перемещение является важной составляющей комфорта и эффективности. Современные лифты могут достигать скорости свыше 20 м/с, что является значительным шагом вперед по сравнению с традиционными моделями
Также разрабатываются новые технологии, позволяющие повысить грузоподъемность лифтов, что особенно важно для больших зданий с высокой плотностью населения.
Энергоэффективность и экологическая чистота
С увеличением числа лифтов в городах возникает потребность в уменьшении энергопотребления и снижении вредных выбросов. Инженеры работают над созданием более энергоэффективных систем привода, использующих современные технологии и материалы
Также, все большее внимание уделяется устранению шума, который может быть вызван работой лифта. Разработаны специальные акустические системы и виброгасители, чтобы сделать использование лифтов более комфортным для пассажиров
Использование интеллектуальных технологий
В современных лифтах все чаще применяются новые интеллектуальные технологии, которые позволяют снизить вероятность поломок и аварийных ситуаций, а также повысить уровень безопасности. Это включает в себя системы мониторинга, автоматическое управление и диагностику. Например, некоторые лифты могут анализировать данные о пассажирах и прогнозировать спрос, что позволяет эффективнее планировать работу лифта.
Гибридные лифты
В последнее время, в разработке и тестировании находятся гибридные лифты. Эти устройства включают в себя системы, работающие на основе нескольких источников энергии, таких как электричество, солнечная энергия и кинетическая энергия, получаемая во время движения лифта. Такие лифты могут быть более независимыми от внешних энергетических сетей и могут быть экологически чистыми и энергоэффективными.
Вертикальные города и многоподъездные системы
С развитием городов все больше задач разрешается за счет строительства вертикальных объектов. Для обеспечения полноценной жизни и движения людей в таких комплексах разрабатываются инновационные системы, объединяющие несколько лифтов в одной многоподъездной системе. Это позволяет снизить количество ожидания и перекрытий на разных этажах, сделать процесс пассажироперевозки более эффективным и удобным.
Будущее лифтов находится на стыке прогресса и технологических инноваций. Инженеры и разработчики продолжают искать новые способы улучшения функциональности, безопасности, энергоэффективности и комфорта для пользователей. Вскоре мы можем ожидать появления еще более передовых и интеллектуальных лифтовых систем, которые сделают нашу жизнь еще более удобной и комфортной.
Оснащение кабины
Ключевым элементом конструкции лифта можно назвать кабину. Ее комплектация и оснащение прямо влияет на комфорт перемещения пассажиров и их безопасность. В кабине монтируют устройства управления и связи.
Наиболее распространены лифтовые кабины с раздвижными дверями. При установке в шахте небольшой ширины они могут иметь телескопическую конструкцию. Также для узких шахт могут предусматриваться распашные двери, открываемые вручную. Кроме этого, двери могут устанавливаться с двух сторон. Такие конструкции используются, если посадочные площадки размещаются спереди и сзади от лифтовой шахты.
Облицовка кабины современного лифта выполняется негорючими материалами. В том числе используются полированные лифты нержавеющей стали, которые могут иметь декоративное напыление разного цвета, стеклянные и зеркальные панели и другие материалы. Пол отделывается специальной антискользящим прорезиненым покрытием, искусственным камнем, другими видами напольных покрытий, стойких к износу. Дополнительно в кабине часто выполняют установку поручней.
Оборудование для освещения, вентиляции и экстренной связи с представителями службы лифтового сервиса обязательно входит в комплектацию кабины. Стандартно они комплектуются кнопочной панелью управления и табло с указателем этажа. В зданиях общественного, коммерческого, офисного назначения с большой проходимостью могут использоваться специальные системы предварительного автоматического планирования и управления трафиком лифтов. В этом случае в кабине не устанавливают управляющую панель. Пассажир выбирает нужный ему этаж при вызове лифта. Такие системы устанавливают в строениях высотой не менее 15 этажей, в которых одновременно функционирует 4 и более лифтов. Их применение повышает пропускную способность, уменьшает износ и расходы на обслуживание оборудования, увеличивает общую эффективность работы лифтов.
ОГРАНИЧИТЕЛИ СКОРОСТИ
Ограничитель скорости представляет собой автоматическое устройство, предназначенное для приведения в действие ловителей при аварийном превышении скорости движения кабины (противовеса) вниз .
Согласно требованиям ПУБЭЛ ограничитель скорости должен срабатывать, если
скорость движения кабины вниз превысит номинальную не менее чем на 15%
и не более чем: а) на 40% для лифтов с номинальной скоростью кабины от 0,5 до
1,6 м/с включительно; б) на 33% при номинальной скорости более 1,6 м/с до 4
м/с включительно; в) на 25% при номинальной скорости более 4 м/с; г) до 0.7 м/с
для лифта с номинальной скоростью менее 0,5 м/с.
При установке ловителей на противовесе ограничитель скорости может срабатывать
при скорости, превышающей предельную величину, установленную для кабины,
на 10%.
Соответствие настройки ограничителя установленному диапазону срабатывания
проверяется при равномерном вращении шкива с установленными ПУБЭЛ
скоростями.
Срабатывание ограничителя скорости должно приводить к включению ловителей.
Ограничитель скорости должен иметь устройство для проверки его работоспособности
при движении кабины (противовеса) с номинальной скоростью.
Ограничитель скорости, у которого усилие включения ловителей создается
только за счет сил трения между канатом и шкивом, должен иметь устройство для
проверки достаточности силы трения.
В лифтах с приводом постоянного тока ограничитель должен иметь выключатель,
контролирующий его срабатывание.
Ограничитель, приводящий в действие ловители противовеса, должен контролироваться
выключателем.
Канат ограничителя скорости должен иметь натяжное устройство, контролируемое
выключателем.
Ограничитель скорость должен быть отрегулирован и опломбирован предприятием
изготовителем и снабжен табличкой с указанием наименования предприятия,
заводского номера, года изготовления, номинальной скорости лифта и скорости
срабатывания.
Ограничители скорости, независимо от конструктивного исполнения, состоят
из шкива, охватываемого бесконечным канатом, имеющим жесткую кинематическую
связь с приводным механизмом ловителей. Натяжение каната обеспечивается
специальным натяжным устройством в приямке шахты.
Со шкивом ограничителя скорости связано механическое устройство, автоматически
затормаживающее канат при аварийном превышении скорости.
Классификация ограничителей скорости
По принципу действия: центробежного типа и с инерционным роликом.
По расположению оси вращения устройства, контролирующего превышение
скорости: с вертикальным и с горизонтальным расположением оси вращения.
Согласно ПУБЭЛ ограничитель скорости может быть установлен в машинном
или блочном помещении; в шахте, на кабине или на противовесе.
Схема установки ограничителя скорости с горизонтальной осью вращения
представлена на рис.9.1. Ограничитель установлен на опорной раме, закрепленной
на полу машинного помещения.
поддержания каната в натянутом состоянии, при котором гарантируется достаточная
величина силы трения между канатом и ободом шкива ограничителя. Для
этого в приямке шахты устанавливается грузовое натяжное устройство (рис.9.2).
Концевой выключатель 4 контролирует чрезмерную вытяжку или обрыв
каната. При установке концевого выключателя учитывается опускание
блока 3 вниз при переброске каната с рабочего на контрольный шкив.
Расчет параметров натяжного устройства рассмотрен выше. Диаметр
блока ограничителя принимается равным диаметру рабочего шкива.
Страницы: 1





























